Pwmp Aer Trydan ar gyfer Offerynnau Meddygol 6v
Brand: VSD
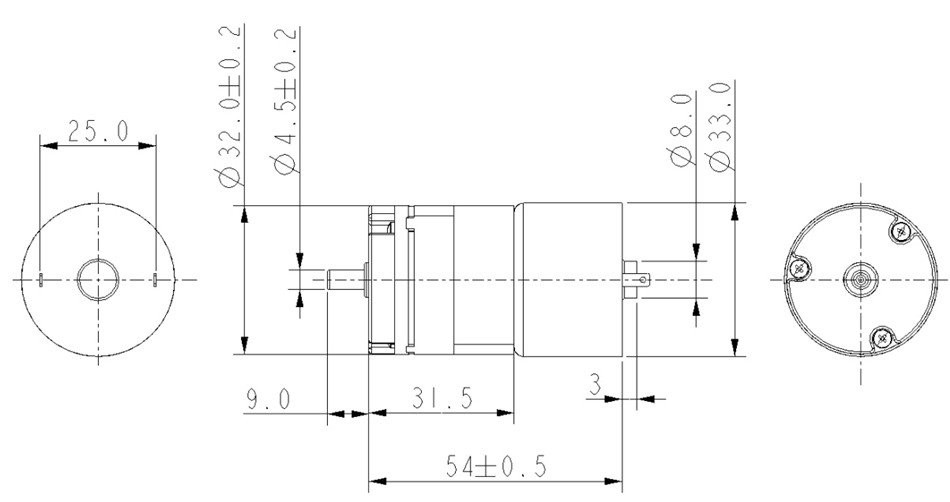
Rhif model: VAP-3201
Defnyddir yn helaeth mewn gofal iechyd meddygol, harddwch, mamau a phlant, cartref craff, cerbyd, swyddfa, awyrennau model, modelau tegan, offer pŵer, robotiaid a meysydd eraill. Mae gennym lawer o flynyddoedd o brofiad mewn cynhyrchu a datblygu micro-foduron, hebrwng eich cynhyrchion, ac yn darparu gwasanaethau hyblyg a phroffesiynol wedi'u haddasu i gwsmeriaid.
Disgrifiad
Mae pwmp Aer Trydan ar gyfer Offerynnau Meddygol 6v yn bwmp diwydiannol cyffredin. Fe'i nodweddir gan strwythur cryno, maint bach, pwysau ysgafn, perfformiad dibynadwy, cynnal a chadw hawdd, gallu hunan-priming da, dim gollyngiadau, a gweithrediad sefydlog. Defnyddir y pwmp hwn yn eang mewn diwydiant cemegol, fferyllol, bwyd, argraffu, diogelu'r amgylchedd, meteleg a meysydd eraill.

Mae'n fath newydd o bwmp wedi'i wneud o ddeunyddiau cryfder uchel. Yn ogystal â bod yn addas ar gyfer cludo cyfryngau cyrydol, uchel-gludedd, fflamadwy a ffrwydrol, gall hefyd sefydlu heb ddinistrio amrywiol hawdd oxidized, hawdd Discoloration, priodweddau ffisegol a chemegol cyfryngau tymheredd uchel. O'i gymharu â phympiau mecanyddol traddodiadol, mae'n fwy hyblyg ac yn haws ei osod a'i gynnal. Mewn cynhyrchu diwydiannol modern, gall cymhwyso pympiau diaffram micro gyflawni buddion lluosog megis lleihau'r defnydd o ynni a lleihau llygredd amgylcheddol.
Yn y gystadleuaeth farchnad ffyrnig, gyda datblygiad parhaus technoleg, mae'n parhau i arloesi a dilyn safonau uwch a pherfformiad cost gwell o ran modelau cynhyrchu, dylunio cynnyrch, prosesau cynhyrchu, perfformiad ac ansawdd. P'un a yw'n hyrwyddo technegau cynhyrchu traddodiadol neu ymchwil a datblygu technolegau newydd, mae'n tyfu ac yn datblygu'n gyson, ac mae'n symud yn raddol i gyfeiriad gwell.
Amlinelliad

Arolygu ac ardystio
Mae archwilio ac ardystio pwmp yn waith pwysig iawn. Gall sicrhau gweithrediad arferol offer pwmp, sicrhau effeithlonrwydd cynhyrchu, a gwella ansawdd cynnyrch a lefelau cynhyrchu diogelwch. Wrth gynnal archwiliad ac ardystiad pwmp, mae angen i chi dalu sylw i'r pwyntiau canlynol:
1. Gwiriwch berfformiad diogelwch offer pwmp. Yn ystod yr arolygiad, dylid gwirio'r falf diogelwch, dyfais amddiffyn, sêl ddŵr, dyfais iro, ac ati o'r offer pwmp yn ofalus i sicrhau eu diogelwch a'u dibynadwyedd ac i osgoi damweiniau diogelwch a achosir gan weithrediad amhriodol yr offer pwmp.
2. Gwiriwch ddangosyddion perfformiad offer pwmp. Mae angen gwirio a yw'r dangosyddion perfformiad megis cyfradd llif, pen ac effeithlonrwydd yr offer pwmp yn bodloni'r gofynion. Os nad ydynt yn bodloni'r gofynion, rhaid eu hatgyweirio a'u disodli mewn pryd i sicrhau gweithrediad arferol ac effeithlonrwydd cynhyrchu'r offer pwmp.

3. Gwiriwch y selio offer pwmp. Mae angen gwirio a yw perfformiad selio'r offer pwmp yn dda, megis deunydd y sêl, gwisgo'r wyneb selio, ac ati, er mwyn osgoi damweiniau diogelwch cynhyrchu a cholledion a achosir gan ollyngiad yr offer pwmp.
4. Gwiriwch ôl traul offer pwmp. Mae angen gwirio traul Bearings, morloi mecanyddol a rhannau gwisgo eraill o'r offer pwmp, a'u disodli a'u hatgyweirio mewn pryd i sicrhau gweithrediad sefydlog hirdymor yr offer pwmp.
Gwybodaeth
Mae'r pwmp Aer Trydan ar gyfer Offerynnau Meddygol 6v yn cynnwys modur DC hynod o faint ac effeithlonrwydd uchel iawn, sy'n lleihau gofynion gofod ac yn ymestyn oes y batri pŵer. Mae integreiddio organig modur, pen pwmp a grŵp falf yn gwneud y pwmp yn ddibynadwy a bywyd gwasanaeth hir. Mae dyluniad falf unigryw yn lleihau gollyngiadau ac yn cynyddu llif.
Y cyntaf yw effeithlonrwydd uchel. Mae'n defnyddio dyluniad falf wedi'i optimeiddio i ddarparu'r llif mwyaf ar bŵer isel. Oherwydd y pŵer isel, mae bywyd batri yn cael ei gynyddu i'r eithaf ac mae maint yr offeryn yn cael ei leihau. Mae'r ddyfais hynod effeithlon hon yn addas ar gyfer llawer o gymwysiadau sy'n gofyn am y llif mwyaf a sensitifrwydd uchel.
Yn ail, mae'n ysgafn ac yn gryno. Mae'n darparu'r pwysau aer sydd ei angen ar ddyfeisiau llaw sy'n gynyddol hanfodol i'r gofod, tra bod ei ddyluniad ysgafn yn cadw pwysau offeryn i'r lleiafswm. Er enghraifft, synwyryddion nwy cludadwy, y mae eu dyluniad ysgafn yn addas iawn ar gyfer y maes cais hwn.

Y trydydd yw dim llygredd. Mae'n defnyddio technoleg gweithgynhyrchu uwch i sicrhau glendid y system cynnyrch. Mae'r dechnoleg hon yn caniatáu iddo gael ei ddefnyddio mewn systemau a ardystiwyd gan FDA ac felly gellir ei ddefnyddio'n helaeth mewn fferyllol, bwyd a meysydd eraill.
Y pedwerydd yw cydbwysedd deinamig. Mae ganddo ddyluniad cytbwys unigryw sy'n lleihau sŵn ac yn ymestyn bywyd gwasanaeth. Mae'r dyluniad hwn yn gwneud iddo weithio'n fwy llyfn, mae ganddo ddibynadwyedd uwch, a gall hefyd leihau'r effaith ar yr amgylchedd.
Yn olaf, mae defnydd pŵer isel. Mae'n mabwysiadu sianel llif uwch a dyluniad system falf effeithlon i ddarparu cyfradd llif uchaf gyda defnydd pŵer isel. Mae'r dyluniad hwn nid yn unig yn lleihau'r defnydd o ynni, ond hefyd yn lliniaru effaith negyddol ar yr amgylchedd.
Cludiant
Mae masnach ryngwladol yn rhan anhepgor o broses ddatblygu economi fodern, ac mae dull cludo nwyddau hefyd yn un o'r ffactorau allweddol sy'n pennu llwyddiant masnach. Mae'r dulliau mwyaf cyffredin o ddefnyddio modur VSD fel a ganlyn:
1. Llongau
Ar hyn o bryd mae'n un o'r dulliau cludo pwysicaf mewn masnach ryngwladol. Mae ei fanteision yn cynnwys costau cludiant isel, ystod ymgeisio eang, gallu cario mawr, amser cludo byr, ac effaith isel ar yr amgylchedd. Yn ogystal, gyda datblygiad parhaus technoleg cludo, mae offer llongau modern wedi'u mabwysiadu'n eang yn raddol, ac mae effeithlonrwydd cludiant ac ansawdd cludiant wedi'u gwella'n effeithiol.

2. cludiant awyr
Ar hyn o bryd dyma'r dull cludo cyflymaf a mwyaf diogel. Ei fanteision yw cyflymder cyflym ac effeithlonrwydd uchel, a all arbed amser a gwella effeithlonrwydd cludiant. Yn arbennig o addas ar gyfer cludo nwyddau gwerth uchel ac sydd eu hangen ar frys ac eitemau darfodus.
3. Cludiant tir
Mae'n cyfeirio'n bennaf at gludiant ffyrdd a rheilffyrdd. Gallant addasu a chyfathrebu ar unrhyw adeg yn ystod cludiant, mae ganddynt gostau is, a gallant ddarparu amser a phris cludo rhesymol i gwsmeriaid. Yn enwedig ar gyfer trafodion domestig, mae wedi'i fabwysiadu'n eang.
Gall dewis y dull priodol o gludiant masnach ryngwladol wella effeithlonrwydd cludiant yn effeithiol, lleihau costau, a sicrhau diogelwch cargo.
Ychwanegu
Wrth ddefnyddio pwmp Aer Trydan ar gyfer Offerynnau Meddygol 6v, mae'r pwyntiau canlynol i'w nodi:
1. Glân: Cyn defnyddio'r pwmp, dylid ei lanhau yn gyntaf i atal amhureddau rhag mynd i mewn i'r corff pwmp ac effeithio ar berfformiad a bywyd gwasanaeth y pwmp.
2. Gosodiad cywir: Wrth osod y pwmp, dylech ddilyn y gofynion yn y llawlyfr cyfarwyddiadau yn llym er mwyn osgoi problemau megis gosod ansefydlog.
3. Cynnal a Chadw: Yn ystod y defnydd, dylid cynnal a chadw amserol, megis glanhau malurion, ailosod morloi, ac ati, er mwyn sicrhau gweithrediad arferol y pwmp.
4. Osgoi gorbwysedd: Wrth ddefnyddio'r pwmp, osgoi pwysau gormodol i osgoi difrod i'r corff pwmp ac ategolion.
5. Dewiswch weithgynhyrchwyr rheolaidd: Wrth brynu pwmp, dylech ddewis gweithgynhyrchwyr a brandiau rheolaidd i sicrhau ansawdd a sefydlogrwydd y cynnyrch.
Anfon ymchwiliad
Fe allech Chi Hoffi Hefyd











